
| Характеристики продукта | Доводчики GEZE TS 5000 |
| Закрытие силы сек. EN 1154 | 2-6 |
| Лист ширина макс. Рекомендуется | 1400мм |
| Та же производительность на DIN-L и DIN-R | Один |
| Контролируемое изделие по | Испытано в соответствии с EN1154 |
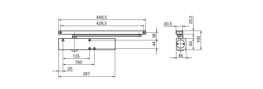
| Длина | 287mm |
| Конструктивная глубина | 47mm |
| Высота | 60мм |
| Черты | Доводчики GEZE TS 5000 |
| Регулируемая сила закрывания | Это, без решения непрерывности |
| Регулируемая скорость закрытия | Один |
| Фиксация действий регулируемый | Да, с помощью клапана |
| Сопротивление в интегрированной открытия | Да, гидравлически регулируемая |
| Задержка закрытия Интегрированный | Один |
| Положение регулировки усилия зажима | Передний |
| Световой индикатор усилие зажима | Один |
| Предохранительный клапан против умышленного повреждения | Один |
| Клапаны termostabilizzate | Один |





