Rapid Block Pettiti - Петля с быстросъемным соединением для решеток для обеих сторон
Петля Pettiti RAPID BLOCK изготовлена из замака с
центральным стержнем из нержавеющей стали, что позволяет быстро установить внутри дверной коробки без сварки или завинчивания.
Инновационная система крепления позволяет заблокировать толкатели на внутренних стенках коробки, просто прикрутив скрытую анкерную шпильку.
внутри корпуса петли, соединяя его с рамой.
Эта же система позволяет быстро снимать петлю для любых операций по техническому обслуживанию.
Крепление
выдерживает вибрации, вызванные нормальным использованием решетки.
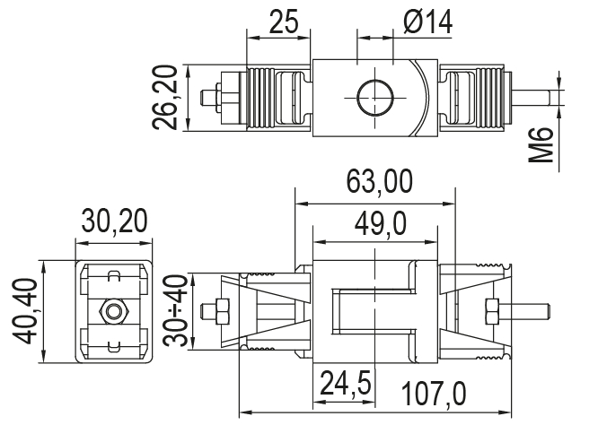
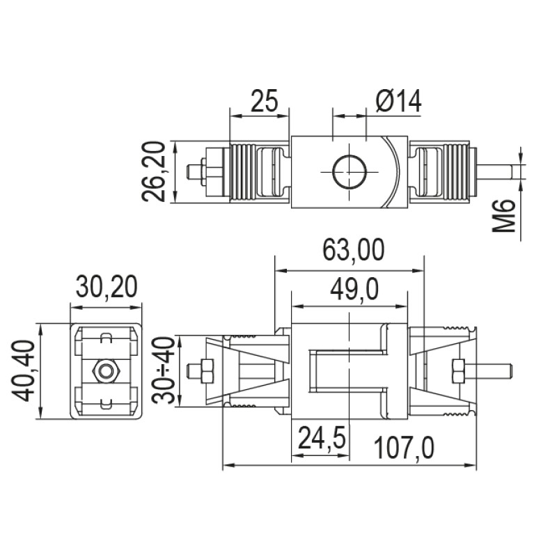
Петля RAPID BLOCK подходит для коробок сечением 40x30 с толщиной стенки 1,5 / 2 мм.
С Rapid Block вам больше не нужно сваривать!
Очень
легко собрать . Необязательно прибегать к сварке и последующей шлифовке.
Благодаря симметричности уменьшается количество проблем при сборке и хранении. Съемный центральный штифт для окраски и обслуживания даже с установленными перилами.
Преимущества Петли Rapid Block Pettiti для перил
- Он больше не сваривает , поэтому нет необходимости иметь паяльник и использовать диски и электроды;
- Исключает порезы под 45 ° - сокращает время строительства перил;
- Устраняет любые недостатки сборки;
- Эстетически линейный и современный;
- Снимается позже;
- Экономический;
- Один элемент, который будет использоваться для каждого движения перил;
- Симметричный;
- В штучной упаковке вырезы симметричны относительно оси шарнира;
- Под покраску.
Технические данные Rapid Block
- 40х30мм в штучной упаковке;
- Толщина коробки 1,5 / 2,5мм;
- Штифт из нержавеющей стали;
- Кузов ЗАМАК;
- Прочность на сдвиг: 39000 Н.
Петтити Джузеппе: аксессуары для перил
Откройте для себя широкий выбор аксессуаров для ставен от Pettiti Giuseppe, ведущей итальянской компании по производству аксессуаров для раздвижных дверей и металлических рам. Производство изделий Pettiti происходит в Италии: головной офис фактически находится в Сеттимо Торинезе (Турин). Бренд Pettiti присутствует более чем в 50 странах мира.
