Carrello 0

Петля Giesse Flash Base третья дверь для алюминия серия R40 R40TT R50TT

  • Марка: Giesse
  • Код: 00129U
RUB 713,35
цены без НДС
Петля Giesse для алюминиевых окон, модель Flash Base Terza Anta. Петля для профилей R40, R40 (ТТ) и R50 (ТТ).
Вы выбрали:
Доступность: в наличии на складе

- +

Петля Giesse - третья дверь с цоколем Flash - серия R40 R40TT R50TT - аксессуары для алюминия

ВНИМАНИЕ:
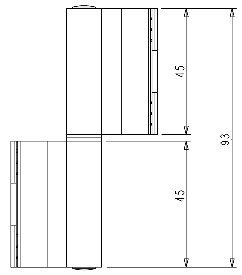
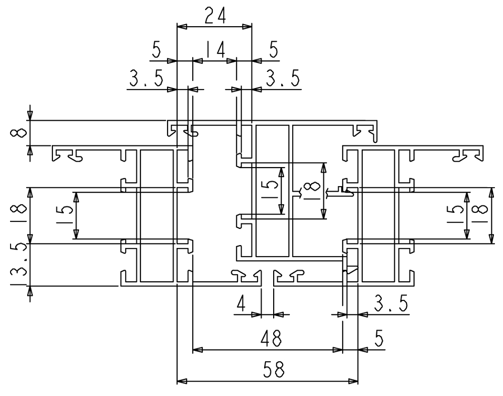
  • Третья створчатая петля для профилей R40, R40 Thermal Break (TT) и R50 Thermal Break (TT).
  • Не подходит для R50 Freddo (см. арт. 00127U Giesse для продажи на Windowo).
 

Функции - Петля для третьей двери Giesse Flash Base:

  • Двусторонняя петля для алюминиевых окон и дверей с открытым шарниром, которая крепится к 3-му узлу створки.
  • К ней предъявляются те же требования к надежности и точности, что и к традиционным петлям Giesse, и она очень быстро устанавливается на окно, даже если оно уже смонтировано.
 

Отделка - Giesse Flash Base Петля для третьей двери:

Серебро, бронза, полированная латунь, сатинированная хромированная латунь, белый Ral 9010, слоновая кость Ral 1013, черный Ral 9005.
 

Технические характеристики - Петля для третьей двери Giesse Flash Base:

  • Петля Flash-Base поставляется в предварительно собранном виде и оснащена системой крепления Giesse-Rapid.
  • Особая форма петли и предварительно собранной пластины обеспечивает практичный и быстрый монтаж на уже собранной раме и идеальное позиционирование петли во время фазы крепления винтами.

Комплектация петель Giesse:
  • 2 анкерные пластины
  • 4 винта TGS M5x10 с крестообразным шлицем

Материалы петель Giesse:
  • Петля из экструдированного алюминия
  • Штифт, винты и пластины из нержавеющей стали
  • Пластины из оцинкованного алюминиевого сплава
  • Втулки из черного нейлона

Грузоподъемность (считается на рамы высотой 2000 мм и шириной 1000 мм):
  • с 2 петлями Flash Base: 75 кг
  • с 3 петлями Flash Base: 85 кг

Cerniera Giesse - Flash Base Terza Anta - Serie R40 R40TT R50TT

Cerniera Giesse - Flash Base Terza Anta - Serie R40 R40TT R50TT

Cerniera Giesse - Flash Base Terza Anta - Serie R40 R40TT R50TT

ПРИМЕЧАНИЕ. Для полного ознакомления с характеристиками петли Flash Base Giesse мы рекомендуем прочитать PDF-файлы, которые можно загрузить в этом описании продукта в разделе «Документы».

В частности , рекомендуем прочитать документ "Узлы типа Swing C", где описаны узлы и серии/системы, к которым адаптирована данная статья .

Продукты, которые могут вас заинтересовать

Последние товары

Newsletter

Seguici

© Windowo All rights reserved - VAT: 02324570221 Software Ecommerce by Daisuke ®